Main
LaserLab
MicroLab
Tribolab
Facilities
Gallery
Contacts
Gallery
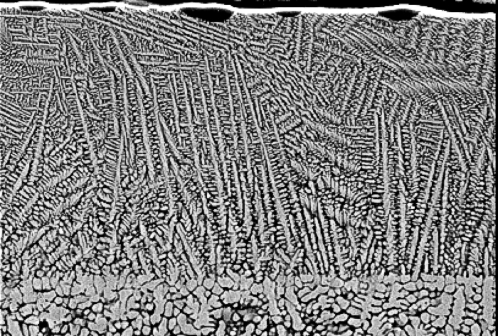
Click on the picture for a magnified view
Click on the picture to run the animation